Benchmarks
One of the committee's primary aims is to promote the development and improvement of measurement techniques and model jointed structures' behavior. The behaviors are often nonlinear due to the intrinsicality of the structures. The benchmark systems aim to help researchers test their developed techniques to measure and predict the behaviors of reference systems. The benchmark system must have the following qualities:
- Well-controlled and understood boundary conditions to avoid uncertainties during experiment and modeling;
- Simple experimental setup to be easily repeatable and commonly used;
- Simple to build.
Several benchmarks, including variations, are described in this section.
The Gaul Resonator
Description
The Gaul resonator consists of two massive parts, connected by the single lap joint, one of which is designed to have an elastic element in the foundation of the connection interface.
The resonator is designed to have a relatively low natural frequency, which corresponds to the joint's tangential movement. By exciting the resonator around an axial resonant frequency, high tangential loads are achieved.

The original resonator was developed by professor L. Gaul's research group and was made from round steel stock. This resonator is investigated by Gaul and Bohlen [1], Gaul et al. [2], Lenz and Gaul [3], and Gaul and Lenz [4].
Variations
There are two similar systems developed at the University of Erlangen–Nürnberg. The first one is similar to the original resonator. The second one is an improved version made of flat stock material. These variations allow sensors to be more easily attached, mechanical post-processing/rejuvenating the contact interface, and accessibility to the surface for microscopic measurements. The detailed investigation of these systems given by Süß and Willner[5][6], and Armand et al.[7].
Another benchmark variation is the dumbbell oscillator investigated by Segelman[8]. This oscillator consists of two rigid steel cylindrical parts, representing two masses connected by a lap joint.
Main features
The main features of the Gaul Resonator are:
- Insensibility to the way/place sensors are attached and load is applied
- Better controllability of the boundary conditions
- Ability to store a large amount of energy for extensive ring-down testing
- Can be accurately simulated with a low-order model, which provides high performance of simulations
Reasonable benchmark usage
Despite being very academic structures, these systems are ideal benchmarks for measuring a bolted lap joints transfer behavior and allows the measurement of hysteresis, which creates a bridge between the two round-robin challenges.
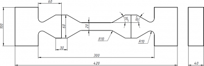
The Cut Beam Benchmark
Description

The beam contains three parts linked by two planar joints. Planar joints are assembled by applying normal force via a screw clamp, and the system is clamped to the ground by bolted joints. The benchmark system is assembled such that the normal preload and friction keep the system assembled.
The benchmark allows the measurement of damping induced by partial slip and friction in a planar joint.
This benchmark was developed and investigated by Jean-Luc Dion, Gael Chevallier, and Nicolas Peyret. The design of this benchmark is based on and justified in Peyret et al. [9][10]. Peyret, Dion and Chevallier[11] and Dion, Chevallier, and Peyret[12] present the experiments and results on this structure.
-
Drawing for the Cut-Beam benchmark
Variations
Currently, there are no known variations of this benchmark.
Main features
The main feature of this benchmark is that it allows for measuring damping in just the interface without the influence of bolts. The benchmark system was designed so that to have nil bending moment over non-zero length. Also, the system was designed to avoid the coupling of the first two modes. Due to these designs, these structures require an accurate method of measurement of nonlinear damping. The original article used the stopped-sine excitation to obtain a single frequency response and study nonlinear modes with frequency and natural magnitude modulations without other mode couplings.
Reasonable benchmark usage
The benchmark design can be used to define contact damping of specimens of several materials, roughnesses, and flatnesses, with or without coating, to obtain a library of behaviors for use in the design of jointed structures.
The Ampair 600 Wind Turbine
Description
The Ampair 600 wind turbine was the first true benchmark system for the current generation of research challenges as it has been studied widely and shared amongst a number of different institutions. Unlike other proposed benchmark systems, it is not an academic system but rather a real application.

The wind turbine, consists of three blades each connected to the central hub with three bolted joints near the root of the blade. The hub and generator housing are also connected by a central bolt. The benchmark documentation on the website contains detailed instructions on how to assemble this test bed so that different research groups can obtain comparable results. This guide includes links to purchase any parts needed to construct the turbine and detailed instructions for assembly process including the hub potting and bolt torques. These instructions can be found on the Dynamic Substructuring wiki.
Variations
Works on dynamic substructuring
The wind turbine assembly and several of its subcomponents have been extensively tested and studied by several institutions. Sandia National Labs and the University of Wisconsin, Madison have performed roving hammer tests of the full system assembly and the assembly without the blades attached. Data sets from these tests can be found here and here.
Additional tests were performed on both a single-blade and hub assembly and on a three-blade and hub assembly. These tests were performed to develop a dynamic substructure model of the system. The results from these substructuring trials can be found in Rohe and Mayes[13] and Roettgen and Mayes[14] . Rohe, Roettgen, and Allen and Mayes have performed several additional tests with data being organized and added to the wiki continuously.
Harvie and Avitabile in their work[15] studied the dynamic characteristics of six blades in freefree, mass loaded, and clamped test conditions. Chalmers University of Technology completed dynamics testing on 12 different blades to gather variation data on the blade itself. Some information on these tests is available on the wiki and in Gibanica et al.[16] These studies provide a baseline of variability from structure to structure. Similar blade testing was completed by the University of Stuttgart. These experimental results were used to update a finite element model of the blade and are located in the Dynamic Substructuring Wiki and detailed in Groß et al.[17] Several other institutions and groups have complete testing and dynamic substructuring on the test bed, which is also documented on the Dynamic Substructuring Wiki.
Nonlinear Identification
There have been a few attempts to investigate the nonlinearity of the Ampair Wind Turbine substructure. In 2014, Mayes and Roettgen[18] took high-level nonlinear hits for the three-bladed turbine assembly. The objective of these tests was to screen the system to look for any instances of nonlinearity.
During the 2014, Sandia Nonlinear Mechanics and Dynamics Summer Research Institute, one team took the first steps to use an Iwan model to connect the blades of the wind turbine to the hub. That research used experimental data to fit a physical Iwan model for the same hardware used in Roettgen and Mayes[18]. The uncertainty of the four parameters used in the Iwan model is then investigated and accounted for.
Main features
The main feature of the Ampair 600 Wind Turbine is that each substructure (e.g., the blades or the hub) is not a monolithic structure. The blades are composed of composite materials and foam, and the central hub is potted with epoxy amongst other materials. As a result, accurate modeling of the system requires material models that include viscous and plastic behavior. While some methods exist to characterize this system in linearized portions of its domains, it is a more complicated system to use as a benchmark than other systems.
Another feature of the Ampair 600 Wind Turbine is that due to the construction method, the measurement of joint properties exhibit a higher degree of variability than observed in other benchmark systems.
Reasonable benchmark usage
There has been a large amount of linear testing and research completed with the Ampair test bed. Additional testing is still ongoing by the Dynamic Substructuring Focus Group and is continuously uploaded to the substructuring wiki. Researchers have only just begun to investigate the nonlinear characteristics of the Ampair wind turbine, many of which may be driven by the joints. Preliminary experiments have shown that the test bed is suitable for investigation and research in the area of joint dynamics. Further, a large amount of experimental data in addition to high fidelity numerical models are available from the Dynamic Substructuring wiki. This wiki has been shown to facilitate the level of collaboration necessary for a round-robin study of a benchmark system. Even if the Ampair 600 Wind Turbine is not used as a benchmark system, lessons can be learned from the effectiveness of the wiki in terms of sharing information and promoting collaboration.
The S4-Beam Beams
Description
This test benchmark was developed in group lead by Professor Matthew S. Allen.
The S4-beam benchmark consists of two stainless steel C-shaped beams. In Singh et al.[19], the benchmark is first introduced with two variations. One variation has a convex interface with a center to edge drop of 0.005" to 0.008" and one variation with a flat interface. These variations allow the investigation of four different contacts: curved-curved, curved-flat, flat-flat, and curved-curved with washers. All contact surfaces were polished to a minimum surface finish of Ra = 8.
S4-beam was designed to have simpler interfaces, than BRB, but still allows investigating the joints influence on the nonlinear stiffness and damping. Consisted of two C-shaped beams, S4-beam is designed to model the nonlinear effects of joint bending and shearing in bolted structures.
-
Drawing for the Cut-Beam benchmark
Variations
Variants of this test benchmark are used to investigate:
- Different types of contact geometry
- Different types of beams materials
- Different types of the excitation
- Different types of contact surface machining
- Different contact pressure
In the original work of Singh et al.[19] two pairs of beams were made to investigate different types of contact geometry: one pair with convex interface with a center to edge drop of 0.005 '' to 0.008 '', and one pair with the flat interface. Further, Wall, Allen, and Kuether[20] modified the beams to have fillets on the edge of the contact interface, and other nominal geometries were investigated. Brink et al.[21] investigated the nominally flat surface variation of this structure.
Also, several works used this benchmark system for computational purposes, such as Wall, Allen, and Zare[22], Jewell et al.[23], Witteveen and Koller[24].
Main features
The main features of this test benchmark, which distinguish it from others:
- It provides a simple contact interface with only one bolt on each contact area;
- It provides several types of nonlinearity;
- It has two close fundamental modes, which lead to modal coupling during vibrations.
Reasonable benchmark usage
The Brake-Reuß Beams
Description
Variations
Main features
Reasonable benchmark usage
The New Benchmark
Description
Variations
Main features
Reasonable benchmark usage
Referenses
- ↑ L. Gaul, S. Bohlen, Identification of nonlinear structural joint models and implementation in discretized structure models, in ASME Design Technology Conference – 11th Biennial Conference on Mechanical Vibration and Noise, Boston, MA, 1987
- ↑ L. Gaul et al., Nonlinear vibration damping of structures with bolted joints, in 12th International Modal Analysis Conference (IMAC XII), Honolulu, HI, 1994
- ↑ J. Lenz, L. Gaul, The influence of micro-slip on the dynamic behavior of bolted joints, in 13th International Modal Analysis Conference (IMAC XIII), Nashville, TN, 1995
- ↑ L. Gaul, J. Lenz, Nonlinear dynamics of structures assembled by bolted joints. Acta Mechanica. 169-182 (1997)
- ↑ 5.0 5.1 5.2 D. Süß, K. Willner, Multiharmonic balance analysis of a jointed friction oscillator, in ECCOMAS 2012 – European Congress on Computational Methods in Applied Sciences and Engineering, Vienna, 2012
- ↑ D. Süß, K. Willner, Investigation of a jointed friction oscillator using the multi-harmonic balance method. Mech. Syst. Signal Process. 52–53, 73–87 (2015)
- ↑ J. Armand et al., On the effects of roughness on the nonlinear dynamics of a bolted joint: A multiscale analysis.European Journal of Mechanics. 44-57 (2018)
- ↑ 8.0 8.1 D.J. Segalman et al., Handbook on dynamics of jointed structures. Technical Report SAND2009-4164, Sandia National Laboratories, Albuquerque, NM (2009)
- ↑ N. Peyret et al., Nonlinear dynamic behavior modeling of a planar friction interface in a structure assembly, in ASME International Design Engineering Technical Conferences IDETC/CIE, San Diego, CA, 2009
- ↑ N. Peyret et al., Micro slip induced damping in planar contact under constant and uniform normal stress. Int. J. Appl. Mech. 2, 281–304 (2010)
- ↑ N. Peyret, J. L. Dion, and G. Chevallier. A framework for backbone experimental tracking: Piezoelectric actuators, stop-sine signal and Kalman filtering. Mechanical Systems and Signal Processing, 78, 28-42. (2016)
- ↑ J. L. Dion, G. Chevallier, and N. Peyret. The Cut Beam Benchmark System: Developing Measurement Techniques for Nonlinear Damping and Stiffness in Frictional Interfaces. In "The Mechanics of Jointed Structures" (pp. 73-89). Springer, Cham., 2018
- ↑ D.P. Rohe, R.L. Mayes, Coupling of a bladed hub to the tower of the Ampair 600 wind turbine using the transmission simulator method, in 31st International Modal Analysis Conference (IMAC XXXI), Garden Grove, CA, 2013
- ↑ D.R. Roettgen, R.L. Mayes, Ampair 600 wind turbine 3-bladed assembly substructuring using the transmission simulator method, in 33rd International Modal Analysis Conference (IMAC XXXIII), Orlando, FL, 2015
- ↑ J. Harvie, P. Avitabile, Comparison of some wind turbine blade tests in various configurations, in 30th International Modal Analysis Conference (IMAC XXX), Jacksonville, FL, 2012
- ↑ M. Gibanica et al., Spread in modal data obtained from wind turbine blade testing, in 31st International Modal Analysis Conference (IMAC XXXI), Garden Grove, CA, 2013
- ↑ J. Groß et al., Model updating of the Ampair Wind turbine substructures, in 32nd International Modal Analysis Conference (IMAC XXXII), Orlando, FL, 2014
- ↑ 18.0 18.1 D.R. Roettgen, R.L. Mayes, Ampair 600 wind turbine 3-bladed assembly substructuring using the transmission simulator method, in 33rd International Modal Analysis Conference (IMAC XXXIII), Orlando, FL, 2015
- ↑ 19.0 19.1 A. Singh, M. Scapolan, Y. Saito, M. S. Allen, D. Roettgen, B. Pacini, and R. J. Kuether, Experimental characterization of a new benchmark structure for prediction of damping nonlinearity. In Nonlinear Dynamics, Volume 1 (pp. 57-78). Springer, Cham. (2019)
- ↑ M. Wall, M. S. Allen, and R. J. Kuether, Observations of modal coupling due to bolted joints in an experimental benchmark structure. Mechanical Systems and Signal Processing, 162, 107968. (2022)
- ↑ A. R. Brink, R. J. Kuether, M. D. Fronk, B. L. Witt, and B. L. Nation. Contact stress and linearized modal predictions of as-built preloaded assembly. Journal of Vibration and Acoustics, 142(5), 051106. (2020)
- ↑ M. Wall, M. S. Allen, and I. Zare. Predicting S4 beam joint nonlinearity using quasi-static modal analysis. In "Nonlinear Structures and Systems, Volume 1" (pp. 39-51). Springer, Cham. (2020)
- ↑ Jewell, E., Allen, M. S., Zare, I., & Wall, M. (2020). Application of quasi-static modal analysis to a finite element model and experimental correlation. Journal of Sound and Vibration, 479, 115376.
- ↑ W. Witteveen, and L. Koller. Hyper-Reduction for Simple Small Sliding Contact and Friction Force Laws - Tribomechadynamics 2021, (2021)